Prądnica z silnika od pralki Polar.

Budowa prądnicy domowym sposobem

Re: Prądnica z silnika od pralki Polar.

Postprzez TOMMASZ » 22.01.2012, 17:38

Wałek został wykonany ze zwykłej stali,jest trochę cięższy bo jest pełen.Nie chciałem już męczyć tokarza i wiercić czterech otworów wzdłuż przez wirnika,ale to już chyba nie ma wpływu na pracę prądnicy.

Maćku,gdzie kupiłeś ten szybki klej do magnesów?.
Nie udzielam porad na PW.
TOMMASZ
 
Posty: 976
Dołączył(a): 30.10.2011, 11:44

Re: Prądnica z silnika od pralki Polar.

Postprzez Maciek » 23.01.2012, 22:19

Oby wytrzymał ;) Klej kupiłem w sklepie tzw. metalowcu. Ale na aukcjach chyba też jest.
Avatar użytkownika
Maciek
 
Posty: 250
Dołączył(a): 16.05.2009, 0:53
Lokalizacja: Wieluń

Re: Prądnica z silnika od pralki Polar.

Postprzez TOMMASZ » 25.01.2012, 16:51

Maciek napisał(a):Oby wytrzymał ;)


Też mam taką nadzieję ;) ,jestem już po klejeniu magnesów -masakra,bo kleiłem ich aż 32,po dwa na jeden biegun.

ps- kupiłem silnik ze złomu za 20 zeta,1.5kw i 380Volt/1420obr/min ,opór na jednym uzwojeniu 7 ohm.

Da się coś z tego sklecić ?.Uzwojenia są sprawne i nawinięte fabrycznie.
Nie udzielam porad na PW.
TOMMASZ
 
Posty: 976
Dołączył(a): 30.10.2011, 11:44

Re: Prądnica z silnika od pralki Polar.

Postprzez TOMMASZ » 25.01.2012, 22:08

Tak wyglądają wklejone magnesy. ;)

Obrazek


A tutaj już zalane całkowicie.Ten niebieski kolor,to pozostałość po brystolu którym owinąłem wirnik.Zostawiłem tylko wąską szczelinę przez którą wlewałem żywicę epoksydową.Wszystko się dobrze wypełniło,magnesy są pod cienką warstwą żywicy.

Obrazek

Edyta- podłączyłem żarówkę samochodową 12V/60W i spróbowałem kręcić łapiąc za oś,ale żarówka tylko mocno się żarzy,za ciężko idzie więc potrzebna będzie korbka.W każdym razie przy dwóch obrotach na sekundę,lub 120/min powinna się zapalić pełnym światłem.
Jutro sprawdzę.
Nie udzielam porad na PW.
TOMMASZ
 
Posty: 976
Dołączył(a): 30.10.2011, 11:44

Re: Prądnica z silnika od pralki Polar.

Postprzez dobsky » 26.01.2012, 13:41

Jestem nowy na forum więc na wstępnie pragnę się przywitać.
Od dłuższego czasu interesuję się energią odnawialną i przyszła pora na wiatr, mam już od kilku lat kolektor słoneczny własnej roboty i sprawdza się nieźle.
Ale do rzeczy, przeczytałem cały wątek i wciągnęło mnie zrobienie własnego wiatraka, o ile w kwestiach mechanicznych nie ma problemu to w kwestiach elektryki będę potrzebował pomocy.
Założenia:
Akwarystyka przy obecnych cenach prądu staje się drogim hobby i pomyślałem, że można by połączyć je z innym zainteresowaniem :) .
Zasilanie akwarium 140l czyli grzałka jakieś 100W, filtr ok. 10W, i oświetlenie LED ok. 15W.
Grzałka do podniesienia temp o jakieś 3-4stC więc praca okresowa.
W mojej okolicy wieje dość często (u podnóża Gór Świętokrzyskich)
Czy prądnica z silnika od pralki + UPS to dobry kierunek?
Pozdrawiam
dobsky
 
Posty: 3
Dołączył(a): 26.01.2012, 13:09

Re: Prądnica z silnika od pralki Polar.

Postprzez TOMMASZ » 26.01.2012, 18:35

No to właśnie zrobiłem próbę,i prądnica mnie mile zaskoczyła.Podłączyłem w gwiazdę,żarówka samochodowa 60/55W.Podłączona tak aby dwa włókna paliły się jednocześnie,czyli 115W,przy 120obr/min pali się pełnym światłem.Podłączyłem też drugą,czyli cztery włókna jednocześnie 230W i tutaj trzeba kręcić szybciej.Ale tragedii nie ma,bo wychodzi około 210-240obr/nim.

Pozdrawiam i dziękuję wszystkim za wskazówki i pomoc,oraz cierpliwość.
Nie udzielam porad na PW.
TOMMASZ
 
Posty: 976
Dołączył(a): 30.10.2011, 11:44

Re: Prądnica z silnika od pralki Polar.

Postprzez Mariusz » 26.01.2012, 20:03

Przewinąłem moją prądnicę, która jakiś czas pracowała na fabrycznym uzwojeniu. 24 cewki po 80zwojów(podwójny drut). Nawijałem ręcznie, więc troszkę mi to zajęło.
Obrazek Obrazek
Nawijane drutem 2 x 0,5mm wiem, mało, lecz stosowałem magnesy 40x10x4 i żeby uzyskać przy niskich obrotach napięcie do ładowania tak wyszło. Oczywiście 3 fazy. Połączone w trójkąt.
Jakość całkiem do niczego bo nakręcane na szybko telefonem. Na razie miałem dostępne tylko żarówki 5W i 21W 12V
Mariusz
 
Posty: 238
Dołączył(a): 28.03.2010, 0:31

Re: Prądnica z silnika od pralki Polar.

Postprzez TOMMASZ » 26.01.2012, 20:43

Ładnie nawinięte :) ,ja u siebie mam magnesy 40x10x5 i 20x10x5 w jednym rzędzie.Co do przewijania,to teraz żałuję że nie zrobiłem tego sam.Może upchnął bym więcej niż jest teraz.
Nie udzielam porad na PW.
TOMMASZ
 
Posty: 976
Dołączył(a): 30.10.2011, 11:44

Re: Prądnica z silnika od pralki Polar.

Postprzez Mariusz » 26.01.2012, 21:02

Nawijanie i wsypywanie z jednej strony nie było aż tak trudne, jednak czasochłonne. Nawijając ręcznie 24 x 160=3840 zwojów zajęło mi sobotę od 8 rano do 23 nocą bez większych przerw a 4 cewki nawinięte dnia poprzedniego. Jednak lepiej to niż płacić niepotrzebnie czasem kilkaset zł.
TOMMASZ napisał(a):No to właśnie zrobiłem próbę,i prądnica mnie mile zaskoczyła.Podłączyłem w gwiazdę,żarówka samochodowa 60/55W.Podłączona tak aby dwa włókna paliły się jednocześnie,czyli 115W,przy 120obr/min pali się pełnym światłem.Podłączyłem też drugą,czyli cztery włókna jednocześnie 230W i tutaj trzeba kręcić szybciej.Ale tragedii nie ma,bo wychodzi około 210-240obr/nim.

Pozdrawiam i dziękuję wszystkim za wskazówki i pomoc,oraz cierpliwość.

A duży opór czuć przy dwóch żarówkach? Czym to napędzasz -ręcznie czy w inny sposób.
Mariusz
 
Posty: 238
Dołączył(a): 28.03.2010, 0:31

Re: Prądnica z silnika od pralki Polar.

Postprzez TOMMASZ » 26.01.2012, 21:09

Mariusz napisał(a):A duży opór czuć przy dwóch żarówkach? Czym to napędzasz -ręcznie czy w inny sposób.


Kręcę ręcznie,korbką.Opór jest podobny przy 115W i 230W,ale trzeba prędzej kręcić i prędko dostaję zadyszki.
Nie udzielam porad na PW.
TOMMASZ
 
Posty: 976
Dołączył(a): 30.10.2011, 11:44

Re: Prądnica z silnika od pralki Polar.

Postprzez Waldemar Pachoł » 26.01.2012, 21:12

Panowie, nie wykonujcie testów na pusto. Nie ma się czym chwalić gdy P=0. Producenci samochodów nie podają ile auto pali na postoju.

Mariusz: Bardzo ładna prądnica. Mam nadzieję, że dałeś matę nad magnesy.

dobsky: Można i będzie to współpracować, jednak akumulator w UPS ma malusieńką pojemność. Tu przeczytaj o magazynowaniu energii: http://mala-elektrownia.ovh.org/elektronika.php
...bo czasami wystarczy rozebrać i dobrze przedmuchać.
Jestem b. rzadko przed monitorem, choć staram się jak mogę - brak czasu. Jeśli szukasz kontaktu bezpośredniego to monitorowany jest tylko mail firmowy.
Avatar użytkownika
Waldemar Pachoł
 
Posty: 1226
Dołączył(a): 17.08.2008, 20:49
Lokalizacja: Ostrołęka

Re: Prądnica z silnika od pralki Polar.

Postprzez TOMMASZ » 26.01.2012, 21:17

Waldemar Pachoł napisał(a):Panowie, nie wykonujcie testów na pusto. Nie ma się czym chwalić gdy P=0. Producenci samochodów nie podają ile auto pali na postoju.


To jak Panie Waldku powinienem zrobić testy?
Nie udzielam porad na PW.
TOMMASZ
 
Posty: 976
Dołączył(a): 30.10.2011, 11:44

Re: Prądnica z silnika od pralki Polar.

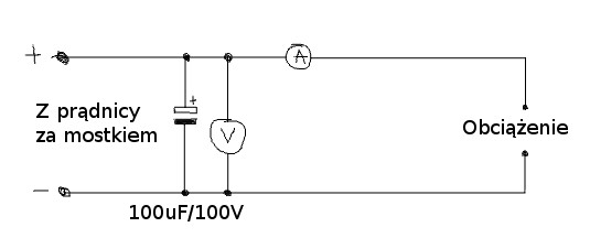
Postprzez Waldemar Pachoł » 26.01.2012, 21:33

Zawsze pod obciążeniem i najlepiej przy znanej prędkości obrotowej - wtedy jesteś w stanie ustalić co może prądnica.
Tym obciążeniem nie powinna być żarówka... choć od biedy przejdzie.

pomiar.jpg


W powyższym przykładnie nie przekraczać napięcia 100V.
...bo czasami wystarczy rozebrać i dobrze przedmuchać.
Jestem b. rzadko przed monitorem, choć staram się jak mogę - brak czasu. Jeśli szukasz kontaktu bezpośredniego to monitorowany jest tylko mail firmowy.
Avatar użytkownika
Waldemar Pachoł
 
Posty: 1226
Dołączył(a): 17.08.2008, 20:49
Lokalizacja: Ostrołęka

Re: Prądnica z silnika od pralki Polar.

Postprzez Mariusz » 26.01.2012, 21:45

Waldemar Pachoł napisał(a):Tym obciążeniem nie powinna być żarówka... choć od biedy przejdzie.

Tak, przez swoją nieliniową charakterystykę. Dobrze jest zastosować jakiś rezystor większej mocy lub nawet kilka.
Mariusz
 
Posty: 238
Dołączył(a): 28.03.2010, 0:31

Re: Prądnica z silnika od pralki Polar.

Postprzez TOMMASZ » 26.01.2012, 21:54

Mariusz napisał(a):
Waldemar Pachoł napisał(a):Tym obciążeniem nie powinna być żarówka... choć od biedy przejdzie.

Tak, przez swoją nieliniową charakterystykę. Dobrze jest zastosować jakiś rezystor większej mocy lub nawet kilka.

A może być świeca żarowa 12V od diesla?.
Nie udzielam porad na PW.
TOMMASZ
 
Posty: 976
Dołączył(a): 30.10.2011, 11:44

Re: Prądnica z silnika od pralki Polar.

Postprzez dobsky » 27.01.2012, 9:42

Waldemar Pachoł napisał(a):dobsky: Można i będzie to współpracować, jednak akumulator w UPS ma malusieńką pojemność. Tu przeczytaj o magazynowaniu energii: http://mala-elektrownia.ovh.org/elektronika.php

Zgadza się i w moim przypadku to 7Ah, pytanie czy można zamiast tego małego podpiąć pod ten UPS akumulator samochodowy?
Tak sobie to wymyśliłem z tym akwarium bo może by to wydoliło biorąc pod uwagę że wieje u mnie często a stały pobór to filtr, grzałka do dogrzewania a oświetlenie mogłoby być led przez 8-10h.
Druga opcja jest taka, że wiatrak mógłby dogrzewać bojler 80l bo zazwyczaj jak nie świeci słońce to wieje wiatr :)
Kolektor sprawdza się co prawda w dni słoneczne ale już w dni pochmurne i wietrzne palę w piecu żeby grzać wodę.
Proszę o ukierunkowanie zanim podejmę wyzwanie budowy wiatraka.
Dziękuję za zainteresowanie i pozdrawiam.
dobsky
 
Posty: 3
Dołączył(a): 26.01.2012, 13:09

Re: Prądnica z silnika od pralki Polar.

Postprzez TOMMASZ » 27.01.2012, 14:50

Waldemar Pachoł napisał(a):Zawsze pod obciążeniem i najlepiej przy znanej prędkości obrotowej - wtedy jesteś w stanie ustalić co może prądnica.
Tym obciążeniem nie powinna być żarówka... choć od biedy przejdzie.

pomiar.jpg


W powyższym przykładnie nie przekraczać napięcia 100V.

Do testów użyłem wiertarki z dwoma biegami o mocy 1050W,testowałem na pierwszym biegu-320obr/min.
Wiertarka mimo swojej mocy nie osiągnęła pełnych obrotów,na oko około 280/min. nie więcej.

Wyniki są takie-obciążenie świecą żarową 150W,prąd 11.5A
Niestety nie wiem ile wolt,bo nie mam drugiego multimetru,bez obciążenia przy 320 obr/min 68.5V.

Podłączenie jednego włókna żarówki 55W przy obrotach 320 na min,skończyło się spaleniem żarówki.

Czy na podstawie tego testu,będzie można powiedzieć coś o wiatraku jaki będzie tu optymalny?.

Pozdrawiam.
Nie udzielam porad na PW.
TOMMASZ
 
Posty: 976
Dołączył(a): 30.10.2011, 11:44

Re: Prądnica z silnika od pralki Polar.

Postprzez Waldemar Pachoł » 27.01.2012, 23:48

TOMMASZ: Niestety nie.
Należałoby wykonać testy przy aku 12, 24 i 48V przy w miarę stałych i określonych obrotach. Wtedy dopasujesz natężenia do zastosowanego drutu. Przepinaj multimetr by poznać V i A.

dobsky: Można podpiąć akumulator samochodowy, co prawda sam UPS go nie doładuje ale przynajmniej odbiornik który będzie do tego upsa podłączony trochę pochodzi na tym akumulatorze.
Grzanie wody - jest wzór - policz moc. :)
...bo czasami wystarczy rozebrać i dobrze przedmuchać.
Jestem b. rzadko przed monitorem, choć staram się jak mogę - brak czasu. Jeśli szukasz kontaktu bezpośredniego to monitorowany jest tylko mail firmowy.
Avatar użytkownika
Waldemar Pachoł
 
Posty: 1226
Dołączył(a): 17.08.2008, 20:49
Lokalizacja: Ostrołęka

Re: Prądnica z silnika od pralki Polar.

Postprzez TOMMASZ » 28.01.2012, 9:55

Waldemar Pachoł napisał(a):TOMMASZ: Niestety nie.
Należałoby wykonać testy przy aku 12, 24 i 48V przy w miarę stałych i określonych obrotach. Wtedy dopasujesz natężenia do zastosowanego drutu. Przepinaj multimetr by poznać V i A.



Dobrze,teraz rozumiem.Tylko jak mam dokładnie określić obroty,brak mi pomysłu bo wiertarka podczas obciążenia prądnicy nie osiąga obrotów nominalnych.Ma za ciężko. :(
Nie udzielam porad na PW.
TOMMASZ
 
Posty: 976
Dołączył(a): 30.10.2011, 11:44

Re: Prądnica z silnika od pralki Polar.

Postprzez TOMMASZ » 29.01.2012, 13:29

Panie Waldemarze,mam wiarygodne wyniki.

Akumulator-45ah wyciągnięty z samochodu,stan naładowania-12.4V-mrozy.
przy obrotach 300/min.-17.5V i rosło co 10 sekund o 0.3V
prąd ładowania-7.8A i spadał o około 0.2A co sekundę.

Mam nadzieję że ten wynik powie coś więcej,aby dobrać optymalne śmigiełka.

Pozdrawiam.
Nie udzielam porad na PW.
TOMMASZ
 
Posty: 976
Dołączył(a): 30.10.2011, 11:44

Poprzednia stronaNastępna strona

Powrót do Prądnica

Kto przegląda forum

Użytkownicy przeglądający ten dział: Brak zidentyfikowanych użytkowników i 1 gość

cron