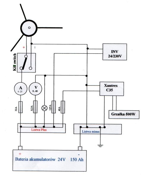
Tak ustosunkowuje się do tego instrukcja Xantrex C-35:
Kontroler z serii C może pracować jako kontroler przekierowujący (diversion controller), zwany także stabilizatorem bocznikującym (shunt regulator), by zarządzać ładowaniem akumulatora alternatywnymi źródłami energii takimi jak ogniwa fotogalwaniczne, generatory wiatrowe i wodne. Kontroler przekierowujący monitoruje napięcie akumulatora i kiedy napięcie to przekroczy ustawienie dla poziomu naładowania (czy to bulk czy float), prąd przekierowywany jest ze źródła (generator wiatrowy) do obciążenia rezerwowego (grzałka), które odprowadzi nadmiar energii w formie ciepła. Pozwala to ładującemu źródle (prądnicy) pozostać pod ciągłym obciążeniem by zapobiec wystąpieniu nadmiernych obrotów, które mogłyby się pojawić kiedy ładujące źródło zostałoby nagle odłączone od akumulatora.
Etapy ładowania:
Faza napięcia maksymalnego/naładowania (bulk)
Podczas tej fazy, akumulator ładowany jest do ustalonego napięcia (ustawienie bulk) maksymalnym prądem ładującym. Kiedy napięcie akumulatora osiągnie ustalone napięcie naładowania, kontroler uruchamia następną fazę.
Faza absorpcji
Podczas tej fazy napięcie akumulatora utrzymywane jest na poziomie ustalonej
wartości naładowania (bulk) przez okres 1 godziny. Prąd ładowania stopniowo zmniejsza się
w miarę osiągania pełnej pojemności akumulatora.
Faza napięcia float
Podczas tej fazy napięcie akumulatora utrzymywane jest na poziomie ustawienia float
(niższe niż bulk). Cały prąd ze źródła będzie przekazywany obciążeniom podłączonym
do akumulatora. Kiedy napięcie akumulatora spadnie poniżej ustawienia float na
okres w sumie 1 godziny, uruchomiony zostanie kolejny cykl bulk.


- Proces ładowania akumulatora