UPS zamiast przetwornicy

Sterowanie elektrownią, elektronika, schematy, podłączenie do sieci, itd...

UPS zamiast przetwornicy

Postprzez set » 22.04.2012, 0:00

Jestem ciekaw czy duży UPS jakiś APC albo EATON sprawdzi się zamiast przetwornicy.Zamiast oryginalnych akumulatorów samochodowe 4 szt 12 70Ah na początek
z tego co czytałem zdania na ten temat są podzielone.
set
 
Posty: 752
Dołączył(a): 04.03.2012, 20:04
Lokalizacja: Jędrzejów

Re: UPS zamiast przetwornicy

Postprzez Maciek » 22.04.2012, 0:15

Ups to nic innego jak właśnie przetwornica tylko, że z małym akumulatorkiem. Mój kuzyn używa EVER CDS i jest zadowolony. Generalnie trzeba zadbać o dodatkowe chłodzenie.
Avatar użytkownika
Maciek
 
Posty: 250
Dołączył(a): 16.05.2009, 0:53
Lokalizacja: Wieluń

Re: UPS zamiast przetwornicy

Postprzez set » 23.04.2012, 12:32

Nabyłem APC Smart-UPS 3000 bez akumulatorów więc nie wiadomo czy działa zobaczymy jak przyjdzie, wylicytowałem za 281 zł
Moc 3000VA - 2250W, cztery akumulatory po 12v.
set
 
Posty: 752
Dołączył(a): 04.03.2012, 20:04
Lokalizacja: Jędrzejów

Re: UPS zamiast przetwornicy

Postprzez set » 30.04.2012, 22:15

Ups dotarł z zimnego startu działa, duża szlifierka kątowa 2200W śmiga bez problemu 4 akumulatory od samochodu.
set
 
Posty: 752
Dołączył(a): 04.03.2012, 20:04
Lokalizacja: Jędrzejów

Re: UPS zamiast przetwornicy

Postprzez set » 02.05.2012, 8:53

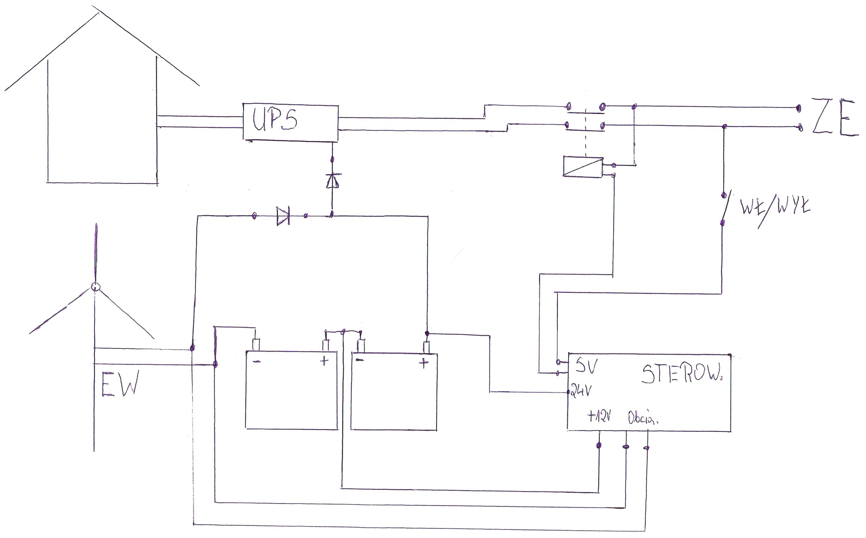
Co myślicie a takim układzie połączenia elektrowni wiatrowej z wykorzystaniem ups-a
Wyprostowany prąd z prądnicy ładuje akumulatory 48V, proces ładowania reguluje regulator kaskadowy który przy zbyt prądzie załącza opory w postaci grzałek.
Gdy akumulatory są naładowane około 55V wyłącznik automatyczny odłącza prod z sieci energetycznej i wtedy UPS przechodzi na zasilanie z akumulatorów, gdy napięcie na nich spadnie do 45-48 V wyłącznik włącza prąd z sieci i wtedy UPS przechodzi na zasilanie z sieci.Do rozwiązania pozostaje problem wyłączenia ładowania akumulatorów z ups-a w momencie przywrócenia zasilania, tak na mój rozum można to zrobić dużą diodą albo dać ups-a komuś kto jest w stanie to ogarnąć.
Załączniki
schemat blokowy ups.JPG
schemat blokowy
set
 
Posty: 752
Dołączył(a): 04.03.2012, 20:04
Lokalizacja: Jędrzejów

Re: UPS zamiast przetwornicy

Postprzez Waldemar Pachoł » 02.05.2012, 11:48

Schemat jest oki. Ja bym się nie przejmował "doładowywaniem" pod warunkiem, że układ jest na tyle wydajny by się nie przegrzał od obciążenia (dodatkowymi akumulatorami). Jednak w jaki sposób będziesz sterował UPSem gdy z sieci będzie zasilanie a MEW będzie dawać na tyle dużą moc by zasilać układy wydzielone w domy?
...bo czasami wystarczy rozebrać i dobrze przedmuchać.
Jestem b. rzadko przed monitorem, choć staram się jak mogę - brak czasu. Jeśli szukasz kontaktu bezpośredniego to monitorowany jest tylko mail firmowy.
Avatar użytkownika
Waldemar Pachoł
 
Posty: 1226
Dołączył(a): 17.08.2008, 20:49
Lokalizacja: Ostrołęka

Re: UPS zamiast przetwornicy

Postprzez set » 02.05.2012, 15:32

Zasilanie będzie zawsze (chyba że nie będzie :D ) jeżeli akumulatory się naładują wyłącznik automatyczny wyłączy prąd z sieci i wtedy ups przełączy się na akumulatory, jeżeli się rozładują to przełącznik załączy napięcie i ups przełączy się z akumulatorów na prąd z sieci.Jeżeli MEW da za dużą moc to regulator kaskadowy załączy grzałki.
Ładowanie akumulatorów przez UPS jest według mnie nie do przyjęcia, bo gdy nie będzie wiało ups naładuje akumulatory wtedy zadziała wyłącznik automatyczny i odetnie zasilanie z sieci ups przełączy się na akumulatory które się rozładują wtedy znowu wyłącznik załączy zasilanie z sieci i proces zacznie się powtarzać, a na takim przetwarzaniu prądu będą same straty
Tak mi się przynajmniej wydaje
set
 
Posty: 752
Dołączył(a): 04.03.2012, 20:04
Lokalizacja: Jędrzejów

Re: UPS zamiast przetwornicy

Postprzez Maciek » 12.05.2012, 15:00

Udało mi się zakupić UPS EVER700 z CDS teraz jestem na etapie dorabiania chłodzenia jak już będzie gotowy przetestuję i podzielę się informacjami.

Edycja
Sprawdziłem tak na szybko ze starym kineskopowym TV WATSON 14 cali i na 5Ah (stary akumulatorek z 2006 roku) działał 48,5 min. Telewizor miał ustawioną głośność w połowie skali.

Obraz bez jakichkolwiek zniekształceń to samo tyczy się dźwięku.
Avatar użytkownika
Maciek
 
Posty: 250
Dołączył(a): 16.05.2009, 0:53
Lokalizacja: Wieluń

Re: UPS zamiast przetwornicy

Postprzez TOMMASZ » 02.06.2012, 12:33

Maćku.podłączyłem wszystko według twojego pomysłu,po za jednym małym wyjątkiem i wszystko śmiga.Teraz idę puścić wiatrak na wolność,założę mu ogonek. :)
Nie udzielam porad na PW.
TOMMASZ
 
Posty: 976
Dołączył(a): 30.10.2011, 11:44

Re: UPS zamiast przetwornicy

Postprzez set » 02.06.2012, 12:48

Jaki to pomysł ?
set
 
Posty: 752
Dołączył(a): 04.03.2012, 20:04
Lokalizacja: Jędrzejów

Re: UPS zamiast przetwornicy

Postprzez Maciek » 02.06.2012, 14:01

W zasadzie nic skomplikowanego należy tylko odciąć poprzez przekaźnik sterownika, zasilanie UPSa z sieci 230V i problem rozwiązany trzeba jeszcze tylko dać diodę na zasilanie UPSa z akumulatorów, żeby ich nie ładował. To wszystko. Efekt będzie taki, że w przedziale napięć załóżmy powyżej 11,5V przekaźnik będzie odłączał zasilanie UPSa w tym momencie bez zwłoki sam UPS przerzuci swoje zasilanie na akumulatory w tak krótkim czasie, że większość odbiorników nie zareaguje wyłączeniem.

Poza tym UPS będzie zasilaniem awaryjnym chyba, że będziemy mieć wyładowane akumulatory.

Dodam, że to wszystko sterowane przez sterownik na Atmedze
Avatar użytkownika
Maciek
 
Posty: 250
Dołączył(a): 16.05.2009, 0:53
Lokalizacja: Wieluń

Re: UPS zamiast przetwornicy

Postprzez TOMMASZ » 02.06.2012, 14:14

Ja zrobiłem tak. :)

Dzięki Maćku za podpowiedzi. :D

Działa i ładuje jak ta lala,nie muszę dokładać podwajacza napięcia.Prądnica radzi sobie swobodnie,poprzednio nie dawała rady bo sterownik był trefny i robił co chciał,to samo tyczy się przetwornicy z aledrogo.Teraz to inna bajka.
Załączniki
skanuj0001.jpg
Nie udzielam porad na PW.
TOMMASZ
 
Posty: 976
Dołączył(a): 30.10.2011, 11:44

Re: UPS zamiast przetwornicy

Postprzez Maciek » 02.06.2012, 14:44

Pozostaje jeszcze jeden problem nierozwiązany mianowicie przeciążenie UPSa. Mój potrafi całkowicie siąść, a wtedy... widzę ciemność :lol: .
Avatar użytkownika
Maciek
 
Posty: 250
Dołączył(a): 16.05.2009, 0:53
Lokalizacja: Wieluń

Re: UPS zamiast przetwornicy

Postprzez TOMMASZ » 02.06.2012, 14:53

Tak ma być,bo to oznacza że nie da rady.Ale za to się nie spali.Dodałem ręczny wyłącznik przekaźnika aby tego uniknąć,UPS podczas coraz większego obciążenia daje coraz częstsze sygnały dźwiękowe,a przy przeciążeniu maxymalnym sygnał jest ciągły.Więc można w porę temu zapobiec,wyłączając UPS tym wyłącznikiem,wtedy działa sieć. ;)

Mam w tej chwili wiatr burzowy,i wszystko jest w porządku.Odchylenie ogona działa tak że obciążenie nie zdąży się załączyć,piszę posta z darmowego prądu. :D
Ostatnio edytowano 02.06.2012, 15:00 przez TOMMASZ, łącznie edytowano 1 raz
Nie udzielam porad na PW.
TOMMASZ
 
Posty: 976
Dołączył(a): 30.10.2011, 11:44

Re: UPS zamiast przetwornicy

Postprzez Maciek » 02.06.2012, 14:56

Na mojego jak zapodałem suszarkę do włosów nawet nie zdążył piknąć :D
Avatar użytkownika
Maciek
 
Posty: 250
Dołączył(a): 16.05.2009, 0:53
Lokalizacja: Wieluń

Re: UPS zamiast przetwornicy

Postprzez Maciek » 02.06.2012, 14:58

TOMMASZ napisał(a):piszę posta z darmowego prądu. :D


To jest dopiero przyjemność!

Ile amperomierz wskazuje?
Avatar użytkownika
Maciek
 
Posty: 250
Dołączył(a): 16.05.2009, 0:53
Lokalizacja: Wieluń

Re: UPS zamiast przetwornicy

Postprzez TOMMASZ » 02.06.2012, 15:01

No właśnie nic,bo go nie mam.Pierwszy się zjarał i wysłałem do wymiany,jeszcze nie dotarł.
Nie udzielam porad na PW.
TOMMASZ
 
Posty: 976
Dołączył(a): 30.10.2011, 11:44

Re: UPS zamiast przetwornicy

Postprzez TOMMASZ » 02.06.2012, 15:13

Maciek napisał(a):
TOMMASZ napisał(a):piszę posta z darmowego prądu. :D


To jest dopiero przyjemność!


Jest i to wielka :D ,wreszcie wszystko działa.Teraz wiatr ucichł i napięcie spadło do 22V a EW przełączyła się na sieć i ładuje akumulatory.
Nie udzielam porad na PW.
TOMMASZ
 
Posty: 976
Dołączył(a): 30.10.2011, 11:44

Re: UPS zamiast przetwornicy

Postprzez set » 03.06.2012, 10:43

Ja nie mam problemu z przeciążeniem bo mój ups obsłuży cały dom (poza piekarnikiem i mikrofalą) i jeszcze będzie miał zapas.
Co do podłączenia ups-a to ja będę raczej celował w przeróbkę żeby działał jak przetwornica czyli:
sterownik podaje sygnał, ups zaczyna pracować, napięcie na wyjściu załącza przekaźnik przełączający ZE-EW.
Wtedy można założyć licznik wyprodukowanej energii i ups pracuje tylko wtedy gdy działa z akumulatorów.
Największy problem będzie z przeróbką ups-a ale w najgorszym wypadku będzie pracował z zimnego startu.

TOMMASZ zdaj relację co się dzieje dalej
set
 
Posty: 752
Dołączył(a): 04.03.2012, 20:04
Lokalizacja: Jędrzejów

Re: UPS zamiast przetwornicy

Postprzez TOMMASZ » 03.06.2012, 12:00

Cały czas wieje i działa,dochodzę do wniosku że zrobię jednak podwajacz napięcia,ten ze strony Waldka po prawej stronie.
http://www.mala-elektrownia.ovh.org/elektronika.php

W tej chwili czekam jeszcze na nowy amperomierz,wtedy skręcę jakiś film bo to lepsze niż tysiąc słów.

No i mam na imię Tomek. ;)
Ostatnio edytowano 18.06.2012, 19:42 przez TOMMASZ, łącznie edytowano 1 raz
Nie udzielam porad na PW.
TOMMASZ
 
Posty: 976
Dołączył(a): 30.10.2011, 11:44

Następna strona

Powrót do Sterownia

Kto przegląda forum

Użytkownicy przeglądający ten dział: Brak zidentyfikowanych użytkowników i 4 gości